lodders91 Posted January 2, 2017 Share Posted January 2, 2017 Good afternoon all, in new to the forum so I hope I'm putting this in the right place. I've recently acquired a beta rev 3 2000 model that had a few issues. The wiring on the bike had been chopped and changed and generally a right mess, so I have stripped the old wiring and have now attempted to put it all back together. My stator has a loom attached to the CDI, 2 come out of the CDI onto the coil. The remaining 2 wires from my stator are yellow (plugs into the reg/rec) and black (presume this just wires to my kill switch? Coming from my reg/rec I have 4 wires... I would like to wire in my fan/thermostat. However I'm not quite sure how to do this, or sure what else needs to be earthed. Any help would be much appreciated. Does anyone have a wiring diagram for the 00-02 ? Thank you in advance lloyd 1 Quote Link to comment Share on other sites More sharing options...
lodders91 Posted January 2, 2017 Author Share Posted January 2, 2017 Even if you don't have a diagram but know the bike could you please try and talk me through it / draw it on a bit of paper upload it.. I don't need any lighting/horn wiring. Just kill, fan/thermo, coil and the earths 1 Quote Link to comment Share on other sites More sharing options...
monkeymaz Posted January 2, 2017 Share Posted January 2, 2017 Ditto - I'm also looking for this ?? Quote Link to comment Share on other sites More sharing options...
lodders91 Posted January 2, 2017 Author Share Posted January 2, 2017 I've contacted a few beta dealers, hopefully they will get in contact when they're back in action this week. If I get any luck I'll let you know Quote Link to comment Share on other sites More sharing options...
bittenagain Posted January 3, 2017 Share Posted January 3, 2017 I have a 04 Rev3, which I think is the same electrics. Will take a look later when I get in. I think it is just a single loop from rectifier to fan and thermostat. I have a wiring diagram somewhere as well. Will post again later. 1 Quote Link to comment Share on other sites More sharing options...
lodders91 Posted January 3, 2017 Author Share Posted January 3, 2017 Thank you bittenagain. On my reg/rec there are 5 wires total.. 1 ac power in (yellow) then 4 out 2 double wires.. I presume 2 go to thermostat, 2 go to fan? I have no obvious earth though. Unless the tab that bolts the reg/rec to the frame is the ground? Quote Link to comment Share on other sites More sharing options...
bittenagain Posted January 3, 2017 Share Posted January 3, 2017 (edited) Hi I just had a look, my regulator also 5 wires - 1 x yellow, 2 x blue, 1 x red/blue and 1 x red. I think the metal tab is a ground, this is bolted to frame, bt am not sure. Yellow is from the stator, so assume this is supply The two blues on mine go to either terminal on the thermostat The red/blue and red wires go to the same colour wires on the fan. I have no other connections, as I removed all the loom for lights, horn etc previously in order to keep things simple when I replaced the regulator. Hope this helps. Paul Edited January 3, 2017 by bittenagain correction 1 Quote Link to comment Share on other sites More sharing options...
lodders91 Posted January 3, 2017 Author Share Posted January 3, 2017 Paul this is brilliant thank you. I was worried I'd wired it wrong, as a new stator fried on me within 10 minutes.. I recon my reg/Rec is broken so will test it and order a new one along with another stator. , cheers for that Quote Link to comment Share on other sites More sharing options...
lodders91 Posted January 3, 2017 Author Share Posted January 3, 2017 (edited) could you also please tell me the wiring for your kill switch? Ive got black coming from loom to switch to ground Edited January 3, 2017 by lodders91 Quote Link to comment Share on other sites More sharing options...
bittenagain Posted January 3, 2017 Share Posted January 3, 2017 Hi Mine is a 6 pole stator. There are 2 black wires from stator, one is wired into a large plug that goes to CDI. The other is alone with just a spade connector. This one is to kill switch, other wire from kill switch goes to earth. Regards Paul 1 Quote Link to comment Share on other sites More sharing options...
lodders91 Posted January 12, 2017 Author Share Posted January 12, 2017 Hi Paul, thanks for all the help so far. One more please bud. From the CDI , I have 2 wires. Red that goes to the little spade on the coil. Brown, has a small round earth. Currently I have this attached to the coil with a nut and bolt that also attaches this to the plastic protector on the left hand side just next to the fan. On the diagrams I've seen this brown wire needs to be grounded, however because it's bolted to plastic I don't see how that is possible. Is this correct the same as yours? Cheers lloyd Quote Link to comment Share on other sites More sharing options...
Franklin9000 Posted January 26, 2019 Share Posted January 26, 2019 On 1/2/2017 at 1:57 PM, lodders91 said: I've contacted a few beta dealers, hopefully they will get in contact when they're back in action this week. If I get any luck I'll let you know Did you ever find a wiring diagram that isn't blurry? Quote Link to comment Share on other sites More sharing options...
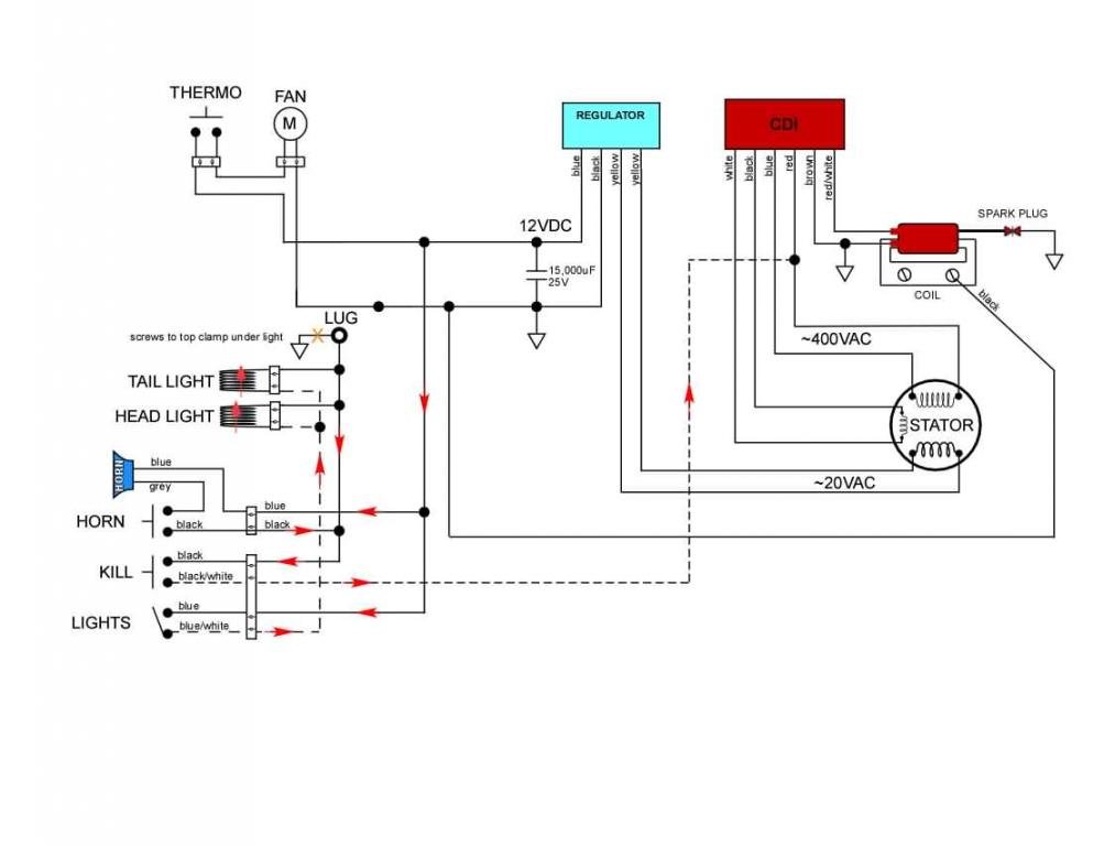
ahh_me2 Posted January 26, 2019 Share Posted January 26, 2019 I have a couple diagrams ,one clear, one a touch blurry, haven't checked yet to see if it's correct with regards to my 2001 rev 250, It seems there is some discrepancy in the various wiring schemes. Here's the pics, I also have a pdf on Beta rev wiring, not sure if I can post that here though Beta_wiring.pdf Quote Link to comment Share on other sites More sharing options...
keneken Posted October 3, 2025 Share Posted October 3, 2025 So are lights connected to yellow ( in , unregulated) ? Or to the regulated red to the fan Quote Link to comment Share on other sites More sharing options...
lemur Posted October 3, 2025 Share Posted October 3, 2025 11 hours ago, keneken said: So are lights connected to yellow ( in , unregulated) ? Or to the regulated red to the fan Schematic indicates non regulated to the lights and horn and the regulator is on there for the fan only, the capacitor is on there to make the fan motor work better. All that runs off the lighting or accessory coil which is independent of the ignition coil. Quote Link to comment Share on other sites More sharing options...
Recommended Posts
Join the conversation
You can post now and register later. If you have an account, sign in now to post with your account.